|
ГОСУДАРСТВЕННЫЙ ОРДЕНА ТРУДОВОГО КРАСНОГО ЗНАМЕНИ ПРОЕКТНЫЙ ИНСТИТУТ
ЛЕНИНГРАДСКИЙ ПРОМСТРОЙПРОЕКТ ГОССТРОЯ СССР
ПОСОБИЕ
ПО ПРОЕКТИРОВАНИЮ ФУНДАМЕНТОВ
НА ЕСТЕСТВЕННОМ ОСНОВАНИИ
ПОД КОЛОННЫ ЗДАНИЙ И СООРУЖЕНИЙ
(к СНиП 2.03.01-84 и СНиП 2.02.01-83)
Утверждено приказом Ленпромстройпроекта от 14 декабря 1984 г.
Москва
Центральный институт типового проектирования
1989
Изменение в «Пособии по проектированию фундаментов на естественном основании под колонны зданий и сооружений (к СНиП 2.03.01-84 и СНиП 2.02.01-83)»
Внесено изменение ГПИ Ленпромстройпроекта, измененные пункты отмечены *.
Рекомендовано к изданию решением технического совета Ленпромстройпроекта Госстроя СССР.
Приведены указания по проектированию различных типов фундаментов и их расчет с помощью ЭВМ.
Для инженерно-технических работников проектных организаций.
При пользовании Пособием необходимо учитывать утвержденные изменения строительных норм и правил и государственных стандартов, публикуемые в журнале «Бюллетень строительной техники» Госстроя СССР, «Сборнике изменений к строительным нормам и правилам» и информационном указателе «Государственные стандарты СССР» Госстандарта СССР.
ПРЕДИСЛОВИЕ
Пособие разработано к СНиП 2.03.01-84 «Бетонные и железобетонные конструкции» и СНиП 2.02.01-83 «Основания зданий и сооружений»
В Пособии содержатся основные положения по проектированию монолитных и сборных фундаментов под железобетонные и стальные колонны, их расчет и конструирование; приводятся указания по выбору оптимального варианта проектирования фундаментов, расчет и проектирование анкерных болтов и приемы армирования фундаментов.
Для облегчения труда проектировщиков приведены графики и таблицы для определения размеров фундаментов, примеры расчета и конструирования различных типов фундаментов.
Пособие разработано Ленпромстройпроектом - канд. техн. наук М.Б.Липницкий, В.А.Егорова; совместно с ЦНИИпромзданий - кандидаты техн. наук Н.А.Ушаков, А.М.Туголуков, Ю.В.Фролов; ПИ-1 - канд. техн. наук А.Л.Шехтман, А.В.Шапиро; НИИЖБом - кандидаты техн. наук Н.Н.Коровин, М.Б.Краковский; НИИОснований - д-р техн. наук Е.А.Сорочан.
Замечания и предложения по содержанию Пособия просьба направлять по адресу: 186190, Ленинград, Ленинский пр., 160, Ленпромстройпроект.
1. ОБЩИЕ УКАЗАНИЯ
1.1. Настоящее Пособие, разработанное к СНиП 2.03.01-084 и СНиП 2.02.01-83, распространяется на проектирование отдельных железобетонных фундаментов на естественном основании под колонны зданий и сооружений.
1.2. Проектирование оснований зданий и сооружений, то есть подбор размеров подошвы фундамента из расчета оснований, рекомендуется выполнять в соответствии со СНиП 2.02.01-83 и «Пособием по проектированию оснований зданий и сооружений» (к СНиП 2.02.01-83).
1.3. Нагрузки и воздействия на основания, передаваемые фундаментами сооружений, должны устанавливаться расчетом, как правило, исходя из рассмотрения совместной работы сооружения и основания или фундамента и основания. Учет нагрузок и воздействий в расчетах оснований рекомендуется выполнять в соответствии со СНиП 2.02.01-83 и «Пособием по проектированию оснований зданий и сооружений».
1.4. Проектирование фундаментов, эксплуатирующихся в агрессивной среде, производится с учетом требований СНиП 2.03.11-85.
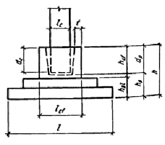
1.5. Применяемые в строительстве железобетонные фундаменты могут быть представлены следующими типами:
монолитные с применением многооборачиваемой инвентарной опалубки (черт. 1, 2);
сборные железобетонные из одного блока (черт. 3);
сборно-монолитные (черт. 4, 5).

Черт. 1. Монолитные фундаменты стаканного типа со ступенчатой плитной частью

Черт. 2. Монолитные фундаменты с пирамидальной плитной частью

Черт. 3. Сборные железобетонные фундаменты а - пирамидальные; б - с уширением плитной части

Черт. 4. Сборно-монолитные фундаменты с подколонниками рамного типа
а - для зданий без подвала; б - для зданий с подвалом

Черт. 5. Сборно-монолитные фундаменты с подколонником, состоящим из сборных плит и монолитного бетона
1 - сборные железобетонные плиты; 2 - монолитный бетон; 3 - металлические скрутки; 4 - петлевые выпуски
При этом рекомендуется расширять область применения монолитных конструкций фундаментов с учетом повышения технического уровня монолитного фундаментостроения. Сборные и сборно-монолитные фундаменты рекомендуется применять при технико-экономическом обосновании, подтверждающем целесообразность их применения, в соответствии с «Руководством по выбору проектных решений фундаментов».
2. РАСЧЕТ ОТДЕЛЬНО СТОЯЩИХ ФУНДАМЕНТОВ ПОД ЖЕЛЕЗОБЕТОННЫЕ КОЛОННЫ
ОСНОВНЫЕ ПОЛОЖЕНИЯ
2.1. Расчет прочности фундаментов и определение ширины раскрытия трещин производится в соответствии с требованиями СНиП 2.02.01-83 «Основания зданий и сооружений», СНиП 2.03.01-84 «Бетонные и железобетонные конструкции», СНиП 2.01.07-85 «Нагрузки и воздействия», а также «Пособия по проектированию бетонных и железобетонных конструкций из тяжелых и легких бетонов без предварительного напряжения арматуры».
2.2. Расчет фундаментов по прочности включает определение высоты плитной части фундамента, размеров ступеней, арматуры плитной части, расчет поперечных сечений подколонника и его стаканной части и производится на основное или особое сочетание расчетных нагрузок, вводимых в расчет с коэффициентом надежности по нагрузке gf > 1.
2.3. Расчет элементов фундамента (плитной части и подколонника) по образованию и раскрытию трещин производится на основное или особое сочетание расчетных нагрузок при gf = 1.
2.4. Исходными данными для расчета фундаментов по прочности, кроме сочетаний расчетных нагрузок, являются:
размеры в плане b и l подошвы плитной части фундамента, определяемые в соответствии с п. 1.2;
полная высота фундамента h, определяемая глубиной заложения и отметкой обреза фундамента;
сечения колонны bc, lc и подколонника в плане bcf, lcf.
ОПРЕДЕЛЕНИЕ ВЫСОТЫ ПЛИТНОЙ ЧАСТИ ФУНДАМЕНТА И РАЗМЕРОВ СТУПЕНЕЙ РАСЧЕТОМ НА ПРОДАВЛИВАНИЕ
2.5. Минимальная высота плитной части фундамента при соотношении сторон его подошвы b/l і 0,5 определяется из расчета на продавливание. При этом продавливающая сила должна быть воспринята бетонным сечением плитной части фундамента, как правило, без постановки поперечной арматуры. В стесненных условиях (при ограничении высоты фундамента) допускается поперечная арматура.
2.6. Следует различать две схемы расчета на продавливание в зависимости от вида сопряжения фундамента с колонной:
1-я - при монолитном сопряжении колонны с фундаментом (черт. 6, а) или подколонника с плитной частью фундамента при высоте подколонника hcf і 0,5 (lcf - lc) (черт. 6, б), а также при стаканном сопряжении сборной колонны с высоким фундаментом - при высоте подколонника, удовлетворяющей условию hcf - dp і 0,5 (lcf - lc) (черт. 6, в). В этом случае продавливание плитной части рассматривается от низа монолитной колонны или подколонника на действие продольной силы N и изгибающего момента М;
2-я - при стаканном сопряжении сборной колонны с низким фундаментом - при высоте подколонника, удовлетворяющей условию
hcf - dp < 0,5 (lcf - lc) (черт. 7). В этом случае фундаменты рассчитываются на продавливание колонной от дна стакана и на раскалывание от действия только продольной силы Nc (п. 2.20).



Черт. 6. Виды сопряжений фундамента с колонной по 1-й схеме расчета на продавливание
а - монолитное сопряжение колонны с плитной частью фундамента; б - то же при высоте подколонника hcf і 0,5 (lcf - lc); в - стаканное сопряжение колонны с высоким фундаментом при hcf - dp і 0,5 (lcf - lc)

Черт. 7. Сопряжение сборной колонны с низким фундаментом при hcf - dp < 0,5 (lcf - lc)
2.7. При опирании на фундамент двух или более колонн, а также двухветвевых колонн продавливание рассматривается при воздействии на фундамент условной колонны, размеры которой равны габаритам по наружным граням колонн, а глубина стакана принимается в уровне наиболее заглубленной колонны (черт. 8).


Черт. 8. Схемы продавливания фундамента при опирании на него двух колонн
а - расположение колонн в одном уровне; б - расположение колонн в разных уровнях; 1 - внутренняя грань стакана; 2 - наружная грань условной колонны
Расчет на продавливание по схеме 1 (см. черт. 6)
2.8. Расчет на продавливание плитной части центрально-нагруженных квадратных железобетонных фундаментов производится из условия
F Ј Rbt um h0,pl , (1)
где F - продавливающая сила;
Rbt - расчетное сопротивление бетона осевому растяжению, принимаемое с необходимыми коэффициентами условий работы gb2 и gb3 в соответствии с табл. 15 СНиП 2.03.01-84 как для железобетонных сечений;
um - среднеарифметическое значение периметров верхнего и нижнего оснований пирамиды, образующейся при продавливании в пределах рабочей высоты сечения h0,pl
um = 2 (bc + lc + 2 h0,pl) . (2)
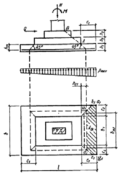
При определении величин um и F предполагается, что продавливание происходит по боковой поверхности пирамиды, меньшим основанием которой служит площадь действия продавливающей силы (площадь сечения колонны или подколонника), а боковые грани наклонены под углом 45° к горизонтали (черт. 9).

Черт. 9. Схема образования пирамиды продавливания в центрально-нагруженных квадратных железобетонных фундаментах
В формуле (2) и последующих формулах раздела величины bc, lc заменяются размерами в плане сечения подколонника bcf, lcf, если продавливание происходит из нижнего обреза подколонника.
Величина продавливающей силы F принимается равной величине продольной силы N, действующей на пирамиду продавливания, за вычетом величины реактивного давления грунта, приложенного к большему основанию пирамиды продавливания (считая до плоскости расположения растянутой арматуры).
2.9. Расчет на продавливание центрально-нагруженных прямоугольных, внецентренно нагруженных квадратных и прямоугольных фундаментов (черт. 10) также производится в соответствии с п. 2.8 и условием (1). При этом рассматривается условие прочности на продавливание только одной наиболее нагруженной грани пирамиды продавливания.
Величина продавливающей силы F в формуле (1) принимается равной
F = Аo рmax , (3)
где Ao - часть площади основания фундамента, ограниченная нижним основанием рассматриваемой грани пирамиды продавливания и продолжением в плане соответствующих ребер (многоугольник abcdeg, см. черт. 10).

Черт. 10. Схема образования пирамиды продавливания в центрально-нагруженных прямоугольных, а также внецентренно нагруженных квадратных к прямоугольных фундаментах
Ао = 0,5b (l - lc - 2h0,pl) - 0,25 (b - bc - 2h0,pl)2 , (4)
при b - bc - 2h0,pl Ј 0 (черт. 11) последний член в формуле (4) не учитывается;

Черт. 11. Схема образования пирамиды продавливания во внецентренно нагруженных прямоугольных фундаментах при 0,5 (b - bc) < h0,pl
рmax - максимальное краевое давление на грунт от расчетной нагрузки, приложенной на уровне верхнего обреза фундамента (без учета веса фундамента и грунта на его уступах);
при расчете внецентренно нагруженного фундамента в плоскости эксцентриситета
, (5)
при расчете в перпендикулярной плоскости, а также для центрально-нагруженного фундамента
. (6)
Средний периметр пирамиды продавливания um в формуле (1) заменяется средним размером проверяемой грани bm и вычисляется по формулам:
при b - bc > 2h0,pl (см. черт. 10) bm = bc + h0,pl ; (7)
при b - bc Ј (см. черт. 11) bm = 0,5 (b + bc) , (8)
где bc - размер сечения колонны или подколонника, являющийся верхней стороной рассматриваемой грани пирамиды продавливания.
2.10. При действии на фундамент изгибающих моментов в двух направлениях расчет на продавливание выполняется раздельно для каждого направления.
2.11. Рабочую высоту h0,pl центрально-нагруженных, внецентренно нагруженных квадратных и прямоугольных фундаментов можно определить по графику прил. 1, составленному на основании условия 1.
2.12. Рабочую высоту h0,pl внецентренно нагруженных фундаментов можно определить также по формулам:
при 0,5 (b - bc) > h0,pl (см. черт. 10)
h0,pl = -0,5 bc , (9)
где безразмерная величина r = Rbt / pmax ;
cl = 0,5 (l - lc), cb = 0,5 (b - bc) ;
при 0,5 (b - bc) Ј h0,pl (см. черт. 11)
h0,pl = . (10)
2.13. Высота ступеней назначается в зависимости от полной высоты плитной части фундамента, которую можно получить добавлением толщины защитного слоя к рабочей высоте плитной части фундамента h0,pl и приведением полной высоты h к модульному размеру.
Высоту ступеней рекомендуется назначать в соответствии с табл. 4 (см. п. 4.7).
2.14. Вылеты ступеней фундамента определяются расчетом но продавливание в соответствии с положениями п. 2.9. Вылет нижней ступени c1 (черт. 12) можно определить, предварительно задавшись шириной второй ступени b1 из условия
F Ј Rbt h01 bm1 . (11)

Черт. 12. Схема образования пирамиды продавливания в нижней ступени прямоугольных железобетонных фундаментов
Величина силы F и величина среднего размера грани пирамиды продавливания первой ступени bm1 принимаются равными:
F = A01 pmax ; (12)
при b - b1 > 2h01 bm1 = b1 + h01 ; (13)
при b - b1 Ј 2h01 bm1 = 0,5 (b + b1 0 , (14)
где А01 - площадь многоугольника a1b1u1d1e1g1, равная
А01 = 0,5b (l - l1 - 2h01) - 0,25 (b - b1 - 2h01)2 ; (15)
при b - b1 - 2h01 Ј 0 последний член формулы (15) не учитывается.
2.15. Вылет нижней ступени с1 можно получить при условии равенства вылетов с1 = с2 (см. черт. 12) по формуле
с1 = с2 = 0,5b + (1 + r)h01 - . (16)
Вылеты ступеней, при условии их равенства в двух направлениях (например, с1 = с2), рекомендуется определять с помощью прил. 2, где приведены модульные размеры вылетов ступеней с для фундаментов из бетона класса В15 (Rbt = 0,75 МПа и gb2 = 1). При бетоне других марок и других значений gb2 величины максимальных давлений грунта рmax умножаются на отношение gb2 Rbt/0,75, где величина Rbt - в МПа.
2.16. Вылет нижней ступени c1 принимается не более величин, указанных в прил. 3.
2.17. Вылет второй ступени фундамента определяется расчетом на продавливание аналогично вылету нижней ступени (пп. 2.14, 2.15). При этом можно предварительно задаться размерами в плане третьей ступени пересечением линии АВ (см. черт. 12) с линией, ограничивающей высоту второй ступени, по формулам:
l2 = (l - 2c1 - lc)h3 / (h2 + h3) + lc ; (17)
b2 = (b - 2c2 - bc)h3 / (h2 + h3) + bc . (18)
Окончательные размеры ступеней назначают с учетом модульности размеров фундаментов в соответствии с табл. 4 и пп. 4.4, 4.7.
2.18. Для некоторых частных случаев соотношений размеров ступеней проверка несущей способности плитной части производится следующим образом :
а) центрально- и внецентренно нагруженные прямоугольные фундаменты с верхней ступенью, одна из сторон которой l1 і lc + 2h2, а другая b1 < bc + 2h2 (черт. 13).

Черт. 13. Схема образования пирамиды продавливания в прямоугольных железобетонных фундаментах с верхней ступенью размерами, при которых одна из сторон ступени l1 > lc + 2h2, а другая b1 < bc + 2h2
Расчет на продавливание производится из условия
F Ј Rbt (h01 bm1 + h2 bm2) . (19)
Величина F вычисляется по формуле (3), величины bm1 и bm2 принимаются равными:
bm1 = b1 + h01 ; (20)
bm2 = 0,5 (b1 + bc) ; (21)
Aо - площадь многоугольника abcdeg, равна
Ao = 0,5b (l - lc - 2h0,pl) - 0,25 (b - b1 - 2h01)2 , (22)
где h01 - рабочая высота нижней ступени фундамента.
Если 0,5 (b - b1) < h01, то последний член формулы (22) не учитывается;
б) центрально- и внецентренно нагруженные прямоугольные фундаменты, имеющие в двух направлениях разное число ступеней (черт. 14).


Черт. 14. Схема образования пирамиды продавливания в прямоугольных железобетонных фундаментах, имеющих в двух направлениях разное число ступеней
Расчет на продавливание производится из условия
F Ј Rbt [(h01 + h2) bm + h3 bc ] . (23)
Величина силы F определяется по формуле (3). Величина среднего размера грани пирамиды продавливания bm принимается равной
bm = bc + h01 + h2 ; (24)
Ao - площадь многоугольника abcdeg, равна
Ao = 0,5b (l - lc - 2h0,pl) - 0,25 [b - bc - 2(h01 + h2)]2 . (25)
Если 0,5 (b - bc) Ј h01 + h2, то последний член формулы (25) не учитывается.
Расчет на продавливание по схеме 2
2.19. Расчет на продавливание центрально- и внецентренно нагруженных стаканных фундаментов (низких) квадратных и прямоугольных в плане рот высоте подколонника, удовлетворяющей условию hcf - dp < 0,5 (lcf - lc) (см. черт. 7), производится на действие только расчетной продольной силы Nc, действующей в уровне торца колонны:
на продавливание фундамента колонной от дна стакана;
на раскапывание фундамента колонной.
2.20. Расчетная продольная сила Nс, действующая в уровне торца колонны, определяется из условия
Nc = a N , (26)
где a - коэффициент, учитывающий частичную передачу продольной силы N на плитную часть фундамента через стенки стакана и принимаемый равным
a = (1 - 0,4Rbt Ac/N), но не менее 0,85, (27)
где Rbt - расчетное сопротивление бетона замоноличивания стакана принимается с учетом коэффициентов условий работы gb2, gb9 по табл. 15 СНиП 2.03.01-84;
Ac = 2(bc + lc) dc- площадь боковой поверхности колонны, заделанной в стакан фундамента.
2.21. Проверка фундамента по прочности на продавливание колонной от дна стакана при действии продольной силы Nc (черт. 15) производится из условия
Nc Ј bl Rbt bm (h0,p - dp) / Ao , (28)
где Rbt - принимается по п. 2.8;
Ao - площадь многоугольника abcdeg (см. черт. 15), равная
Ao = 0,5b (l - lp - 2h0,p) - 0,25 (b - bp - 2h0,p)2 ; (29)
bm = bp + ho,p . (30)
В формулах (29) и (30) :
ho,p - рабочая высота пирамиды продавливания от дна стакана до плоскости расположения растянутой арматуры;
bp, lp - размеры по низу меньшей и бульшей сторон стакана (см. черт. 15).

Черт. 15. Схема образования пирамиды продавливания в стаканном фундаменте от действия только продольной силы
2.22. Проверка фундамента по прочности на раскалывание от действия продольной силы Nc (черт. 16) производится из условий:
при bc / lc Ј Ab / Al Nc Ј (1 + bc / lc) m gg Al Rbt ; (31)
при bc / lc > Ab / Al Nc Ј (1 + lc / bc) m gg Ab Rbt ; (32)
где m - коэффициент трения бетона по бетону, принимаемый равным 0,75;
gg - коэффициент, учитывающий совместную работу фундамента с грунтом и принимаемый равным 1,3; при отсутствии засыпки фундамента грунтом (например, в подвалах) коэффициент принимается равным 1;
Al, Ab - площади вертикальных сечений фундамента в плоскостях, проходящих по осям сечения колонны параллельно соответственно сторонам l и b подошвы фундамента, за вычетом площади стакана фундамента (см. черт. 16).


Черт. 16. Площади вертикальных сечений Аl и Ab при раскалывании стаканного фундамента от действия только продольной силы
В формуле (31) bс/bl должно быть не менее 0,4, а в формуле (32) lc/bc - не более 2,5.
2.23. Из расчетов на продавливание и раскалывание по пп. 2.21 и 2.22 принимается бульшая величина несущей способности фундамента.
В случае неармированного стакана фундамента дополнительно производится расчет на продавливание внецентренно нагруженных стаканных фундаментов квадратных и прямоугольных в плане от верха стакана по схеме 1 (см. черт. 9, 10) из условия (1). При этом величина расчетного сопротивления бетона осевому растяжению принимается с коэффициентом, равным 0,75.
РАСЧЕТ ПЛИТНОЙ ЧАСТИ ФУНДАМЕНТА НА ПОПЕРЕЧНУЮ СИЛУ
2.24. Для фундаментов при соотношении сторон подошвы b/l Ј 0,5 дополнительно к проверке на продавливание следует выполнять проверку на действие поперечной силы. При вылете фундаментной плиты (или ступени) сi < 2,4/h0,i проверка на действие поперечной силы выполняется из условия
Qi Ј 2,5 Rbt bi h0,i ; (33)
при сi > 2,4h0,i Qi Ј 6 Rbt bi h0,i2/ci ; (34)
где Оi - поперечная сила в расчетном сечении;
Rbt - принимается по п. 2.8;
bi - средняя ширина в рассматриваемом i-м сечении;
h0,i - рабочая высота сечения.
Величина Qi определяется по эпюре давлений под подошвой фундамента, вычисляемых без учета собственного веса фундамента и грунта на его уступах.
2.25. При проектировании несимметричных фундаментов с малым вылетом фундаментной плиты или ступени, когда отношение рабочей высоты фундамента (или его ступени) превышает 0,6 вылета соответствующей консоли, при краевом давлении под подошвой фундамента рmax > 1 МПа (10 кгс/см2), следует провести расчет консоли фундаментной плиты (или его ступени) на действие поперечной силы из условия (33).
РАСЧЕТ ПЛИТНОЙ ЧАСТИ ФУНДАМЕНТА НА ОБРАТНЫЙ МОМЕНТ
2.26. В ряде случаев - при неполном касании подошвы фундамента с грунтом или при треугольной эпюре давления на грунт и наличии к тому же значительных полезных нагрузок на пол, необходимо выполнять проверку прочности плитной части на обратный момент, возникающий от действия веса фундамента и грунта на его уступах и от размещенного на полу над фундаментом складируемого материала.
Обратный момент рекомендуется воспринимать бетонным сечением тела плитной части без постановки горизонтальной арматуры в растянутом сечении. В необходимых случаях, при соответствующем обосновании, может быть предусмотрено армирование растянутой зоны сечения.
При действии на фундамент обратных изгибающих моментов в двух направлениях проверка прочности плитной части производится раздельно для каждого направления.
2.27. Условие прочности при восприятии обратного момента бетонным сечением имеет вид
М0,i Ј Rbt Wpl,i , (35)
где М0,i - изгибающий обратный момент в рассматриваемом i-м сечении консольного выступа (по грани колонны или по граням ступеней);
Wpl,i - момент сопротивления для крайнего растянутого волокна i-го бетонного сечения.
Момент сопротивления Wpl,i для крайнего растянутого волокна бетонного сечения определяется из условий:
для прямоугольных сечений (нижняя ступень)
Wpl,i = b h12 / 3,5 ; (36)
для тавровых сечений
Wpl,i = 2Ib,0 / (h - x) + Sb,0 , (37)
где Ib,0 - момент инерции площади сечения сжатой зоны бетона относительно нулевой линии;
Sb,0 - статический момент площади сечения растянутой зоны бетона относительно нулевой линии.
Положение нулевой линии определяется из условия: Sb,0 =0,5(h-x)Abt, где Abt - площадь растянутой зоны бетона.
2.28. Величина обратного изгибающего момента М0,i определяется как сумма изгибающих моментов в рассматриваемом сечении от действия усредненного веса фундамента и грунта на его уступах и полезной нагрузки на пол q за вычетом момента от реактивного давления грунта по подошве фундамента
М0,i = 0,5 (gcg d + q) ci2 - Mpi , (38)
где gcg - усредненный удельный вес фундамента и грунта на его уступах, принимаемый равным 20 кН/м3 (2,0 тс/м3);
d - глубина заложения фундамента от уровня планировки;
сi - расстояние от наименее нагруженного края фундамента до рассматриваемого сечения (по грани колонны или подколонника и по граням ступеней);
Мpi - изгибающий момент в рассматриваемом сечении от реактивного давления грунта по подошве фундамента.
2.29. Изгибающие моменты Мpi в расчетных сечениях определяются от действия реактивного давления грунта по подошве фундамента, вычисляемого с учетом нагрузки от собственного веса фундамента, грунта на его уступах и полезной нагрузки на пол на всю ширину или длину фундамента.
В зависимости от вида эпюры давления грунта изгибающие моменты Мpi в сечении i на расстоянии сi от наименее нагруженного края фундамента можно вычислить по формулам:
при трапециевидной или треугольной эпюре давления грунта (при e0,x < l/6) в направлении действия момента Мx (черт. 17, а)
Mpi,x = [N + (gcgd + q) lb] ґ ci2 (1 - 6e0,x / l + 4e0,x ci / l2) / 2l , (39)
где эксцентриситет продольной силы
e0,x = (M + Qh) / [N + (gcgd + q) lb] ; (40)
при неполном касании подошвы фундамента и грунта при l/4 > е0,х > l/6, для сi > 3 e0,x - l/2 (черт. 17,б) в направлении действия момента Мх
Mpi,x = [N + (gcgd + q) lb] ґ (ci - 3e0,x + l/2)3 / 27 (l/2 - e0,x)2 . (41)

Черт. 17. Расчетные схемы и сечения при проверке прочности на обратный момент внецентренно нагруженного фундамента
а - при е0 Ј l/6 ; б - при l/4 > e0 > l/6
Аналогично вычисляются моменты Мpi,y с заменой величин e0,x, l соответственно на e0,y , b;
при неполном касании подошвы фундамента и грунта при l/4 > e0 > l/6, для ci < 3e0 - l/2 изгибающие моменты Мpi = 0.
2.30. При невыполнении условия (35) сечение горизонтальной арматуры в растянутой зоне от действия обратного момента определяется по формуле (43) для прямоугольного (для нижней ступени) или таврового сечений.
ОПРЕДЕЛЕНИЕ СЕЧЕНИЙ АРМАТУРЫ ПЛИТНОЙ ЧАСТИ ФУНДАМЕНТА
2.31. Сечение рабочей арматуры подошвы фундамента (Аsl и Asb -соответственно вдоль сторон l и b) определяется из расчета на изгиб консольного вылета плитной части фундамента на действие отпора грунта под подошвой в сечениях по грани колонны или подколонника и по граням ступеней фундамента. Подбор арматуры Аsl (Аsb) рекомендуется вести на ширину (длину) фундамента.
При действии на фундамент изгибающих моментов в двух направлениях расчет прочности плитной части производится раздельно для каждого направления.
Определение площади сечения арматуры в i-м расчетном сечении плитной части производится следующим образом: вычисляется значение
, (42)
где - расчетный момент в расчетном сечении i;
bi(li) - ширина сжатой зоны (в верхней части) рассматриваемого сечения;
h0,i - рабочая высота рассматриваемого сечения.
По табл. 20 «Пособия по проектированию бетонных и железобетонных конструкций из тяжелых и легких бетонов без предварительного напряжения арматуры» в зависимости от значения a0 определяется величина n, площадь сечения арматуры вычисляется по формуле
Asl(sb) = / Rs n h0,i , (43)
где Rs - расчетное сопротивление арматуры.
2.32. Изгибающие моменты в расчетных сечениях плитной части определяются от действия реактивного давления грунта по подошве фундамента без учета нагрузки от собственного веса фундамента и грунта на его уступах. В зависимости от вида эпюры давления грунта изгибающие моменты в i-м сечении на расстоянии сi от наиболее нагруженного края фундамента вычисляются по формулам:
при трапециевидной и треугольной эпюрах давления грунта [при e0,x = Mx + Qxh) / N Ј l/6] в направлении действия момента Mx (черт. 18, a,б)
= Nci2 (1 + 6e0,x / l - 4e0,x ci / l2) / 2l ; (44)
при неполном касании подошвы фундамента с грунтом (при l/4 > e0,x > l/6) в направлении действия момента Mx (черт. 18, в)
= 2Nci2 [1 - 2ci / 9 (l - 2e0,x)] / 3 (l - 2e0,x) . (45)
Аналогично вычисляются моменты с заменой величин e0,x, l соответственно на e0,y, b.


Черт. 18. Расчетные схемы для определения арматуры внецентренно нагруженного фундамента
а - трапециевидная эпюра; б - треугольная эпюра; в - треугольная эпюра с отрывом при l/4 > е0 > l/6
2.33. Определение сечений арматуры подошвы в наиболее распространенном случае - для внецентренно нагруженного фундамента при действии изгибающего момента в одном направлении, показано на черт. 19 и в формулах (46)-(57).

Черт. 19. Расчетные схемы и сечения при определении арматуры внецентренно нагруженного фундамента при действии изгибающего момента в одном направлении
Сечение арматуры, параллельной стороне l, в сечении 1-1 по грани колонны (см. черт. 19) на всю ширину фундамента определяется следующим образом: вычисляется значение
a0 = / Rb b2 h0,pl2 , (46)
где = Nc1-12 (1 + 6e0 / l - 4e0 c1-1 / l2) / 2l ;
в зависимости от значения a0 определяется величина n; площадь сечения арматуры принимают по формуле
Asl = / Rs n h0,pl , (47)
то же, по граням ступеней в сечении 2-2 (см. черт. 19):
a0 = / Rb b1 (h01 + h2)2 , (48)
где = N c2-22 (1 + 6e0 / l - 4e0 c2-2 / l2) / 2l ;
Asl = / Rs n (h01 + h2) ; (49)
в сечении 3-3 (см. черт. 19):
a0 = / Rb b h012 , (50)
где = N c3-32 (1 + 6e0 / l - 4e0 c3-3) / l2) 2l ;
Asl = / Rs n h01 . (51)
Сечение арматуры, параллельное стороне b, в сечении по грани колонны 1'-1' (см. черт. 19) на всю длину фундамента определяется следующим образом: вычисляется значение
a0 = / Rb l2 (hў0,pl)2 , (52)
где = N c1ў-1ў2 / 2b ;
в зависимости от значения a0 определяется величина n; площадь сечения арматуры вычисляется по формуле
Asb = / Rs n hў0,pl , (53)
то же, по граням ступеней в сечении 2ў-2ў (см. черт. 19):
a0 = / Rb l1 (h01ў + h2)2 , (54)
где = N c2ў-2ў / 2b ;
Asb = / Rs n (h01ў + h2) ; (55)
в сечении 3ў-3ў (см. черт. 19):
a0 = / Rb l hў012 , (56)
где = N с3ў-3ў2 / 2b ;
Asb = / Rs n h01ў . (57)
В формулах (46)-(57):
, , - изгибающие моменты на ширину фундаментов соответственно в сечениях 1-1, 2-2, 3-3;
, , - изгибающие моменты на длину фундамента соответственно в сечениях 1ў-1ў, 2ў-2ў, 3ў-3ў.
Армирование подошвы фундамента производится по наибольшей площади сечения арматуры, определяемой по формулам (47), (49), (51) в одном направлении и (53), (55), (57) - в другом.
Допускается обрыв стержней арматуры на консольных участках фундаментной плиты на расстоянии от грани подколонника (колонны) не ближе h0,pl при выполнении условия Qmax,i Ј 1,6 Rbl bi h0,i, где Qmax,i, bi, h0,i - максимальная поперечная сила, средняя ширина и рабочая высота i-го уступа на участке с уменьшенным армированием.
Обрываемая арматура должна быть заведена на длину не менее lan за сечение, где она полностью используется.
При этом допускается обрыв менее 50 % стержней, требуемых в сечении по грани подколонника (колонны).
РАСЧЕТ ПОПЕРЕЧНЫХ СЕЧЕНИЙ ПОДКОЛОННИКА
2.34. Проверка прочности бетонных и железобетонных подколонников производится по двум сечениям по их высоте:
прямоугольного сечения в уровне плитной части (сечение 1-1, черт. 20);
коробчатого сечения стаканной части в уровне заделанного торца колонны (сечение 2-2, см. черт. 20).


Черт. 20. Расчетные сечения бетонных и железобетонных подколонников
2.35. Расчет прямоугольных сечений 1-1 производится на следующие величины расчетных усилий (вычисленных с учетом веса подколонника и нагрузок от опирающихся на него фундаментных балок): продольную силу N, изгибающие моменты Мx и Мy.
Расчет коробчатого сечения 2-2 производится на продольную силу N-Nc и изгибающие моменты Мx, Мy (в уровне заделанного торца колонны).
Величина продольной силы Nс принимается согласно указаниям п. 2.20.
2.36. В общем случае расчет прямоугольного сечения l-l производится на косое внецентренное сжатие. В связи со сложностью вычислений рекомендуется производить его с использованием стандартных программ на ЭВМ или с помощью графиков несущей способности (см. прил. 5) - для железобетонных сечений, по формулам прил. 4 - для бетонных сечений.
2.37. В случае, если величина приведенного момента в одном направлении составляет не более 0,1 момента в другом, меньший момент допускается не учитывать, и сечение рассчитывается как внецентренно сжатое в одной плоскости.
2.38. При вычислении изгибающих моментов для прямоугольного сечения 1-1 должен учитываться случайный эксцентриситет еа, как для элементов статически определяемых конструкций в соответствии с указаниями п. 1.21 СНиП 2.03.01-84.
2.39. Для подколонников, находящихся в грунте, при соотношении hcf / bcf Ј 6, а также подколонников с hcf / bcf Ј 4 при отсутствии засыпки грунтом коэффициент h принимается равным 1. В остальных случаях величину коэффициента h следует определять в соответствии с пп. 3.6 и 3.24 СНиП 2.03.01-84. В этом случае расчетная длина подколонника принимается равной lо = hcf (при наличии засыпки), lо = 1,2 hcf (при отсутствии засыпки).
2.40. Для выявления необходимости расчетного армирования подколонника в зоне прямоугольного сечения первоначально производится проверка его прочности как внецентренно сжатого бетонного сечения согласно п. 3.5 СНиП 2.03.01-84.
Размеры сжатой зоны и ее площадь Аb для бетонных неармированных подколонников рекомендуется определять по формулам, приведенным в прил. 4 для четырех форм сжатой зоны в зависимости от величины эксцентриситетов.
Для форм сжатой зоны 1, 3 и 4 определяются размеры, площадь сечения сжатой зоны Аb и проверяется прочность бетона из условия N Ј RbАb .
Для 2-й формы сжатия определяются размеры х и y и положение центра тяжести сжатой зоны сх и сy. Бетонное сечение удовлетворяет услиям прочности при выполнении условий: сx > еx, сy > ey.
При расчете бетонных подколонников по прочности расчетные сопротивления бетона следует принимать с необходимыми коэффициентами условий работы согласно табл. 15 СНиП 2.03.01-84 (для бетонных конструкций gb9 = 0,9; при бетонировании подколонников в вертикальном положении при высоте слоя бетонирования более 1,5 м gb3 = 0,85).
При выполнении бетонных подколонников должны быть выполнены конструктивные требования п. 4.23.
2.41. Проверка прочности прямоугольного железобетонного сечения 1-1 (см. черт. 20) при действии момента в одной плоскости производится по формулам (36)-(39) СНиП 2.03.01-84.
При расчете прочности прямоугольных сечений железобетонных подколонников сжатую арматуру рекомендуется не учитывать. В этом случае армирование подколонника выполняется в соответствии с п. 4.21.
Продольная арматура железобетонных подколонников должна быть подобрана с учетом требований по ширине раскрытия трещин (см. разд. 2).
2.42. Расчет коробчатых сечений 2-2 (см. черт. 20) производится как внецентренно сжатых железобетонных сечений на усилия, указанные в п. 2.35 без учета величин h, еа.
Для коробчатых сечений стаканной части подколонника продольную арматуру допускается определять на действие условных изгибающих моментов Мk, М'k без учета нормальной силы, раздельно для каждого направления изгиба.
Изгибающие моменты Мk, М'k определяют от действующих сил относительно точек k, k' (черт. 21) поворота колонны. Моменты в плоскости х принимают равными:
при ех і lc / 2 Mkx = 0,8 (Mx + Qxdp - 0,5 N lc) ; (58)
при lc / 2 > ex > lc / 6 Mkxў = 0,3 Mx + Qx dp . (59)
Аналогично вычисляют изгибающие моменты Мky, Мkyў с заменой Mx, Qx, lc соответственно на My, Qy, bc.


Черт. 21. Расчетная схема стаканной части подколонника 1 - горизонтальные сетки
2.43. При расчете железобетонных подколонников расчетные сопротивления бетона следует принимать с необходимыми коэффициентами условий работы (gb2 = 1,1 или gb2 = 0,9) в зависимости от характера учитываемых нагрузок (см. табл. 15 СНиП 2.03.01-84).
2.44. Поперечная арматура стаканной части подколонника, выполняемая в виде горизонтальных сварных сеток, определяется в сечении 1-1 (см. черт. 21) по расчету на условные изгибающие моменты Мk, М'k, определяемые по формулам (58) и (59).
Площадь поперечной арматуры сеток (суммарная площадь стержней в одном направлении) определяется из уравнений:
, (60)
где Аsi - площадь сечения всех стержней арматуры в одном направлении на i-м уровне;
zi - привязка сеток поперечной арматуры к торцу колонны.
2.45. При одинаковых диаметрах стержней арматуры сеток и одинаковой марке стали площадь сечения рабочей арматуры сварной сетки равна:
при е і lc / 2 Asx = Mkx / Rs ; (61)
при lc / 2 > c > lc / 6 Asx = Mўkx / Rs . (62)
Аналогично определяется арматура Аsy от изгибающих моментов Мky, Мkyў.
2.46. В случае действия продольной силы в пределах ядра сечения (е Ј lc / 6, e Ј bc / 6) поперечное армирование подколонника назначается конструктивно.
РАСЧЕТ ПОДКОЛОННИКА НА МЕСТНОЕ СЖАТИЕ
2.47. Расчет подколонника на местное сжатие (смятие) под торцом колонны (или ветви двухветвевой колонны) выполняется в соответствии с пп. 3.39, 3.41 СНиП 2.03.01-84.
2.48. При расчете на местное сжатие дна стакана подколонника без поперечного (косвенного) армирования должно удовлетворяться условие
Nc Ј yloc Rb,loc Aloc 1 , (63)
где Nc - расчетная продольная сила в уровне торца колонны или ветви двухветвевой колонны, определяемая по п. 2.20;
yloc - коэффициент, равный при e0 Ј lc / 6 (bc / 6) - 1,0, при e0 > lc / 6 (bc / 6) - 0,75 ;
Rb,loc - расчетное сопротивление бетона смятию, определяемое по формуле
Rb,loc = jloc Rb , (64)
где jloc = , но не более 2,5 , (65)
здесь Rb - призменная прочность бетона подколонника, принимаемая как для бетонных конструкций с учетом необходимых коэффициентов условий работы gb3, gb9 по табл. 15 СНиП 2.03.01-84;
Аloc2 - площадь поперечного сечения подколонника;
Аloc1 - площадь торца колонны или ветви двухветвевой колонны.
2.49. При невыполнении условия (63) ниже дна стакана должны быть установлены сетки косвенного армирования, сечение арматуры которых и шаг стержней определяются по п. 2.50.
2.50. Несущая способность сечения при наличии сеток косвенного армирования определяется из условия
Nc Ј Rb,red Aloc1 , (66)
где Nc, Aloc1 - см. п. 2.48;
Rb,red - приведенная призменная прочность бетона при работе на местное сжатие, определяемая по формуле
Rb,red = Rb jloc,b + j mxy Rs,xy jloc,s , (67)
где jloc,b = , но не более 3,5 ;
Rs,xy - расчетное сопротивление арматуры сеток.
jloc,s = 4,5 - 3,5 Аloc1 / Alf ; (68)
mxy = (nx Asx lx + ny Asy ly) / Alf S , (69)
где Аlf - площадь сечения бетона внутри контура сеток;
nx, Asx, lx - соответственно число стержней, площадь поперечного сечения и длина стержня в одном направлении (считая в осях крайних стержней);
ny, Asy, ly - то же в другом направлении;
S - расстояние между сетками.
j = 1 / (0,23 + y) , (70)
где y = mxy Rs,xy / (Rb + 10) ; (71)
2.51. Минимальное число сеток принимается равным 2 (см. п. 4.28). При этом выполняется проверка на местное сжатие бетона в уровне нижней сетки но условию (63). Площадь смятия Аloc1 в формуле (63) определяют как
Аloc1 = (bp + 2z) (lp + 2z) , (72)
где z - расстояние от дна стакана до нижней сетки.
При невыполнении условия прочности (63) следует увеличить число сеток до трех или четырех с соответствующей проверкой.
РАСЧЕТ ФУНДАМЕНТОВ ПО ОБРАЗОВАНИЮ И РАСКРЫТИЮ ТРЕЩИН
2.52. Расчет по образованию и раскрытию трещин плитной части фундамента и подколонника производится в соответствии со СНиП 2.03.01-84.
Для коробчатого сечения подколонника 2-2 (по черт. 20), а также для прямоугольного сечения 1-1 в подколонниках, процент армирования которых по одной стороне не превышает 0,008, или растягивающие напряжения s по наименее сжатой грани не превышают 2Rbt,ser, расчет по образованию и раскрытию трещин не производится.
Величина растягивающего напряжения определяется по формуле
s = N / Ared - (M + Qhcf) / 1,75 Wred . (73)
2.53. Расчет по образованию и раскрытию трещин плитной части фундамента производится для сечения, в котором требуется максимальное количество арматуры из расчета по прочности.
2.54. Проверка ширины раскрытия трещин не требуется, если от действия постоянных, длительных и кратковременных нагрузок, вводимых в расчет с коэффициентом надежности по нагрузке gf = 1, трещины не образуются. Расчет по образованию трещин, нормальных к продольной оси элемента, выполняется в соответствии с пп. 4.5-4.7 СНиП 2.03.01-84.
2.55. Определение ширины acrс раскрытия трещин, нормальных к продольной оси элементов фундамента, производится в соответствии с указаниями пп. 4.14-4.16 СНиП 2.03.01-84 и рекомендациями пп. 2.56-2.60 настоящего Пособия.
2.56. Проверка ширины раскрытия трещин для изгибаемой плитной части и внецентренно сжатого подколонника при однорядном армировании не производится в следующих случаях:
если коэффициент армирования сечения m, равный отношению площади сечения арматуры Аsl или Asb к площади соответствующего сечения бетона при рабочей высоте h0, дня арматуры классов A-II и A-III более 0,02;
если при любом коэффициенте армирования сечения диаметр арматуры класса A-II не превышает 22 мм.
2.57. Расчет ширины раскрытия трещин, нормальных к продольной оси элемента, производится только один раз:
если Mr1 / Mr2 і , то проверяется продолжительное раскрытие трещин от длительного действия постоянных и длительных нагрузок;
если Mr1 / Mr2 < , , то проверяется непродолжительное раскрытие трещин от действия полной нагрузки,
здесь Мr1 - изгибающий момент Мr от постоянных и длительных нагрузок;
Mr2 - суммарный момент Мr от полной нагрузки, включающей и кратковременные нагрузки.
2.58. Ширина раскрытия трещин аcrc, мм, определяется по формуле
acrc = jl h ss 20 (3,5 - 100m) /Es , (74)
где jl - коэффициент, принимаемый равным: при учете кратковременных нагрузок и непродолжительного действия постоянных и длительных нагрузок - 1, при учете продолжительного действия постоянных и длительных нагрузок для фундаментов, расположенных выше уровня грунтовых вод, и при переменном уровне грунтовых вод
jl = 1,6 - 15 m ; (75)
для фундаментов, расположенных ниже уровня грунтовых вод, - 1,2;
h - коэффициент, принимаемый равным 1 при стержневой арматуре периодического профиля, при гладкой - 1,3;
m - коэффициент армирования сечения, принимаемый равным отношению площади сечения арматуры к площади сечения бетона (при рабочей высоте h0 и без учета сжатых свесов полок), но не более 0,02;
d - диаметр арматуры, в мм, принимаемый при различных диаметрах стержней из условия
d = (n1 d12 + n2 d22 + n3 d32) / (n1 d1 + n2 d2 + n3 d3) . (76)
Для слабоармированных элементов при m Ј 0,008 и Mr2 < М0 ширину раскрытия трещин от непродолжительного действия всех нагрузок допускается определять линейной интерполяцией между значением аcrc = 0 при моментах:
Mcrc = Rbt,ser Wpl ; (77)
и значением acrc, вычисленным по формуле (74), при моменте
где М0 = Mcrc + y b h2 Rbt,ser (78)
y = 15 m a/ h , но не более 0,6; (79)
b, h - ширина и высота сечения сжатой грани.
В формуле (79) m, h - обозначения те же, что в формуле (74).
При этом ширина продолжительного раскрытия трещин от действия постоянных и длительных нагрузок определяется умножением acrc от действия всех нагрузок на отношение
jl1 Mr1 / Mr2 , (80)
где jl1 = 1,8 jl Mcrc / Mr2 , но не менее jl.
Момент сопротивления приведенного сечения для крайнего растянутого волокна Wpl рекомендуется определять по формулам:
при расчете подколонников и плитной части фундамента (нижняя ступень) прямоугольного сечения
Wpl = (0,292 + 1,5 As a / bh + 0,15 Aўs a / bh) bh2 ; (81)
при расчете плитной части ступенчатого фундамента таврового сечения
Wpl = 2 (Ib,0 + a Is,0) / (h - x) + Sbt , (82)
где Ib,0 , Is,0 - моменты инерции соответственно площади сечения сжатой зоны бетона и растянутой арматуры относительно нулевой линии.
2.59. Величину ss допускается определять упрощенным способом по формуле
ss = Rs M / Mpr , (83)
где Мpr - предельный момент по прочности, равный
Mpr = Mcal Asf / Ast ,
где Mcal - момент от действия полной нагрузки с коэффициентом надежности по нагрузке gf > 1;
Asf - фактическая площадь принятой арматуры;
Аst - площадь арматуры, требуемая по расчету прочности.
2.60. Ширина непродолжительного раскрытия трещин от действия полной нагрузки определяется как сумма ширины раскрытия от длительного действия постоянных и длительных нагрузок и приращения ширины раскрытия от действия кратковременных нагрузок, определяемого при коэффициенте jl = 1 по формуле
acrc = acrc1 - acrc2 + acrc3 , (84)
где acrc1 - ширина раскрытия трещин от кратковременного действия полной нагрузки;
acrc2 - начальная ширина раскрытия трещин от постоянных и длительных нагрузок (при их кратковременном действии);
acrc3 - ширина продолжительного раскрытия трещин от действия постоянных и длительных нагрузок.
2.61. Для фундаментов, находящихся в неагрессивной среде, при расположении элемента выше или ниже расчетного уровня грунтовых вод ширина непродолжительного раскрытия трещин аcrc должна быть не более 0,4 мм, продолжительного - не более 0,3 мм. При расположении элемента в грунте при переменном уровне грунтовых вод ширина непродолжительного раскрытия трещин аcrc должна быть не более 0,3 мм, продолжительного - не более 0,2 мм.
2.62. При наличии агрессивной среды предельно допустимая ширина раскрытия трещин принимается по СНиП 2.03.11-85.
3. РАСЧЕТ ОТДЕЛЬНО СТОЯЩИХ ФУНДАМЕНТОВ ПОД СТАЛЬНЫЕ КОЛОННЫ
ОСНОВНЫЕ ПОЛОЖЕНИЯ
3.1. Основные размеры плитной части фундамента и подколонника по прочности и раскрытию трещин определяют так же, как и для фундаментов под железобетонные колонны (см. разд. 2).
3.2. Отметка верха подколонника и размеры его в плане определяются в зависимости от размеров и принятого способа опирания башмака и метода монтажа стальных колонн (см. п. 3.14).
Минимальные размеры подколонников стальных колонн определяются расположением анкерных болтов для крепления колонн, расстоянием от оси болта до края фундамента (см. табл. 1 и п. 3.13) и размерами опорных плит башмаков.
ФУНДАМЕНТНЫЕ БОЛТЫ. КОНСТРУКТИВНЫЕ УКАЗАНИЯ
3.3. Фундаментные болты для крепления строительных конструкций должны проектироваться в соответствии со СНиП 2.09.03-85.
Конструкции болтов должны выполняться в соответствии с ГОСТ 24379.0-80 и ГОСТ 24379.1-80.
3.4. По конструктивному решению болты могут быть с отгибом, с анкерной плитой, прямые и конические (табл. 1).
Таблица 1
|
Болты |
С отгибом |
С анкерной плитой |
Прямые |
Конические |
|
Диаметр (по резьбе) d, мм |
12-48 |
12-90 |
12-48 |
12-48 |
|
Эскиз
|

|

|

|

|
|
Глубина заделки Н |
25d |
15d |
10d |
10d |
|
Расстояние между осями болтов С |
6d |
8d |
5d |
10d |
|
Расстояние от оси болта до грани l |
4d |
6d |
5d |
10d |
3.5. По способу установки болты подразделяются на устанавливаемые до бетонирования фундаментов, в которые они заделываются (с отгибом и с анкерной плитой), и устанавливаемые на готовые фундаменты в колодцы или скважины (прямые, изогнутые и конические).
3.6. По условиям эксплуатации болты подразделяются на расчетные и конструктивные:
к расчетным относятся болты, воспринимающие нагрузки, возникающие при эксплуатации строительных конструкций;
к конструктивным относятся болты, предусматриваемые для крепления строительных конструкций, устойчивость которых против опрокидывания или сдвига обеспечивается собственным весом конструкции.
3.7. Болты с отгибом и анкерной плитой могут применяться для крепления строительных конструкций без ограничений.
Болты, устанавливаемые в скважины, не следует применять для крепления несущих колонн зданий и сооружений, оборудованных мостовыми кранами, а также для высотных зданий и сооружений, ветровая нагрузка для которых является основной.
3.8. Марку сталей расчетных болтов, эксплуатируемых при расчетной зимней температуре наружного воздуха до минус 65о С включ., следует назначать согласно табл. 2.Таблица 2
|
Расчетная зимняя температура наружного воздуха, оС |
Минус 40 оС и выше |
От минус 40 до минус 50 оС |
От минус 51 до минус 65 оС включ. |
|
Марка стали |
Вст3кп2 по ГОСТ 380-71 |
09Г2С-6 10Г2С1-6 по ГОСТ 19281-73 |
09Г2С-8 10Г2С1-8 по ГОСТ 19281-73 |
П р и м е ч а н и е. Болты допускается изготавливать из других марок стали, механические свойства которых не ниже свойств марок сталей, указанных в таблице.
3.9. Для болтов диаметром 56 мм и более при расчетной зимней температуре минус 40 оС и выше допускается применять низколегированную сталь марок 09Г2С-2 и 10Г2С1-2 (ГОСТ 19281-73).
3.10. При расчетной зимней температуре наружного воздуха до минус 65 °С низколегированные стали марок 09Г2С-8 и 10Г2С1-8 должны иметь ударную вязкость не ниже 30 Дж/см2 (3 кгс - м/см2) при температуре испытания минус 60 оС.
3.11. Конструктивные болты во всех случаях (при расчетной зимней температуре до минус 65 °С) допускается изготавливать из стали марки Вст3кп2 по ГОСТ 380-71.
3.12. Минимальную глубину заделки болтов в бетон Н для бетона класса В 12,5 и стали марки Вст3кп2 следует принимать по табл. 1.
Для других марок сталей болтов или классов бетона глубину заделки болтов Нў следует определять по формуле
Нў і Н m1 m2 , (85)
где m1 - отношение расчетного сопротивления растяжению бетона класса В 12,5 к расчетному сопротивлению бетона принятого класса;
m2 - отношение расчетного сопротивления растяжению металла болтов принятой марки стали к расчетному сопротивлению стали марки Вст3кп2.
Для болтов диаметром 24 мм и более, устанавливаемых в скважинах готовых фундаментов, коэффициент m1 следует принимать равным 1.
3.13. Для конструктивных болтов с отгибами глубину заделки в бетон допускается принимать равной 15 d, для болтов с анкерными плитами - 10 d, для болтов, устанавливаемых в скважины, - 5 d.
Минимальные допускаемые расстояния между осями болтов С и от оси крайних болтов до граней фундамента l приведены в табл. 1.
Расстояния между болтами, а также от оси болтов до грани фундамента допускается уменьшать на 2d при соответствующем увеличении глубины заделки на 5 d.
Кроме того, расстояние от оси болта до грани фундамента допускается уменьшать на один диаметр при наличии армирования вертикальной грани фундамента в месте установки болта.
Во всех случаях расстояние от оси болта до грани фундамента должно быть не свыше, мм:
100 для болтов диаметром до 30 мм включ.
150 « « 48 «
200 « « св. 48 «
3.14. В зависимости от способа монтажа стальных колонн определяются отметка верха фундамента и дополнительные требования при его возведении.
При безвыверочном монтаже стальных колонн, имеющих фрезерованный торец и строганую плиту башмака, требуется устройство подливки под плитой башмака толщиной 50-70 мм, что и определяет отметку верха фундамента.
При монтаже стальных колонн с башмаком в виде плиты, приваренной к стержню колонны, выполняется выверка колонны, для этого анкерные болты должны иметь дополнительные гайки и шайбы, располагаемые под опорной плитой башмака, на которые устанавливается колонна во время монтажа.
При таком способе монтажа стальных колонн требуется устройство подливки под плитой башмака толщиной 100-150 мм; анкерные болты при этом снабжены гайками и шайбами, расположенными выше и ниже плиты башмака.
Монтаж стальных колонн с облегченной выверкой обеспечивает точность установки колонн при уменьшении сложности их изготовления.
3.15. Установка анкерных болтов при возведении фундаментов требует наличия специальных кондукторов.
Рекомендуется анкерные болты выполнять объединенными в жесткие блоки, установка которых строго фиксируется при бетонировании фундаментов.
РАСЧЕТ АНКЕРНЫХ БОЛТОВ
3.16. Расчетные сопротивления металла болтов растяжению Rba следует принимать по табл. 60 прил. 2 СНиП II-23-81.
3.17. Диаметры, площади сечения болтов по резьбе и расчетные сопротивления разрыву следует принимать по табл. 3.Таблица 3
|
Диаметр резьбы |
Площадь сечения |
Расчетное усилие на болт, МН (тс), при марке стали |
|
болтов d, мм |
резьбы Asa, см2 |
Вст3кп2 |
09Г2С |
10Г2С |
|
М10 |
0,523 |
0,00722 |
0,72 |
0,00920 |
0,94 |
0,00947 |
0,97 |
|
М12 |
0,768 |
0,01061 |
1,10 |
0,0135 |
1,39 |
0,0139 |
1,43 |
|
М16 |
1,44 |
0,0199 |
2,06 |
0,0253 |
2,61 |
0,0261 |
2,68 |
|
М20 |
2,25 |
0,0310 |
3,22 |
0,0396 |
4,08 |
0,0408 |
4,18 |
|
М24 |
3,24 |
0,0448 |
4,63 |
0,0541 |
5,87 |
0,0587 |
6,02 |
|
М30 |
5,19 |
0,0717 |
7,42 |
0,0914 |
9,39 |
0,0939 |
9,64 |
|
М36 |
7,59 |
0,1048 |
10,85 |
0,1301 |
13,33 |
0,1301 |
13,33 |
|
М42 |
10,34 |
0,1428 |
14,76 |
0,1772 |
18,19 |
0,1772 |
18,19 |
|
М48 |
13,80 |
0,1905 |
19,71 |
0,2366 |
24,26 |
0,2366 |
24,26 |
|
М56 |
18,74 |
0,2588 |
26,76 |
0,3212 |
33,05 |
0,3212 |
33,05 |
|
М64 |
25,12 |
0,3468 |
35,90 |
0,4187 |
43,05 |
0,4067 |
41,90 |
|
М72 |
32,23 |
0,4450 |
46,00 |
0,5371 |
55,24 |
0,5218 |
53,71 |
|
М80 |
40,87 |
0,5644 |
58,38 |
0,6811 |
70,10 |
0,6617 |
68,10 |
|
М90 |
53,68 |
0,7413 |
76,67 |
0,8691 |
89,43 |
0,8691 |
89,43 |
П р и м е ч а н и е. Расчетные площади определены по СТ СЭВ 182-75.
3.18. Площадь поперечного сечения болтов по резьбе Аsa следует определять по формуле
, (86)
где Р - расчетная нагрузка, действующая на болт;
Rba - расчетное сопротивление материала болта.
3.19. Для сквозных стальных колонн, имеющих раздельные базы (черт. 22), величина расчетной нагрузки Р, приходящаяся на один болт, определяется по формуле
P = (0,5 N - M/h) / n , (87)
где N, М - соответственно продольная сила и изгибающий момент в сквозной колонне;
h - расстояние между осями ветвей сквозной стальной колонны;
n - число болтов крепления ветви.


Черт. 22. Схема сквозной стальной колонны
1 - анкерный болт
3.20. Для баз стальных колонн сплошного типа (черт. 23) величина расчетной нагрузки, приходящаяся на растянутые болты, определяется в соответствии с указаниями п. 3.20, с формулами (38), (39) СНиП 2.03.01-84 для внецентренно сжатых железобетонных элементов прямоугольного сечения.


Черт. 23. Расчетная схема для определения усилий в анкерных болтах стальной колонны сплошного тина
1 - анкерный болт
Расчетное усилие Р в анкерном болте рекомендуется определять по формуле
P = (Rb bb x - N) / n , (88)
где Rb - расчетное сопротивление бетона осевому сжатию с учетом коэффициентов gb2, gb3, gb9;
bb - ширина опорной плиты базы колонны;
N - продольная сила в колонне;
n - число растянутых болтов, расположенных с одной стороны базы колонны;
х - высота сжатой зоны бетона под опорной плитой базы колонны, определяемая по формуле
х = 0,5 (la + lb) - , (89)
где la - расстояние между анкерами (см. черт. 23);
lb, bb - соответственно длина и ширина опорной плиты;
- эксцентриситет продольной силы.
Высота сжатой зоны х ограничивается условием
х / la Ј xR , (90)
где xR = (0,85 - 0,008Rb)/{1 + Rba [1 - (0,85 - 0,008Rb)/1,1]/400} . (91)
При расчете коэффициента условий работы gb2 < 1 в формуле (91) вместо 400 подставляется 500 МПа.
3.21. Все болты должны быть затянуты на величину предварительной затяжки V, которую необходимо принимать равной V = 0,75 Р.
3.22. Болты следует затягивать, как правило, с контролем величины крутящего момента М, значение которого следует определять по формуле
M = V x , (92)
где V - усилие затяжки, определяемое по п. 3.21;
x - коэффициент, учитывающий геометрические размеры резьбы, трение на торце гайки и в резьбе, принимается по прил. 6.
3.23. Сдвигающую силу от стальной колонны на фундамент допускается передавать через силу трения, возникающую под опорной плитой базы колонны от действия сжимающей продольной силы с учетом усилий затяжки болтов.
Для сквозных стальных колонн, имеющих раздельные базы под ветви колонны, сдвигающая сила Q, действующая в плоскости изгибающего момента, воспринимается силой трения под сжатой ветвью колонны и определяется по формуле
Q Ј f (0,5 N + M / h) , (93)
где f - коэффициент трения, равный 0,25.
Для стальных колонн сплошного типа, а также для сквозных колонн при действии сдвигающей силы из плоскости изгибающего момента, сдвигающая сила воспринимается трением от силы затяжки болтов и определяется по формуле
Q Ј f (0,25 n Asa Rba + N) , (94)
где n - число болтов крепления сжатой ветви для сквозной колонны или (для колонны сплошного типа) число сжатых болтов, расположенных с одной стороны базы колонны;
N - минимальная продольная сжимающая сила, соответствующая нагрузкам, по которым определяется сдвигающая сила.
Если условия (91) и (92) не удовлетворяются, требуется предусмотреть передачу сдвигающей силы от стальной колонны на фундамент с помощью упорных элементов, заделанных и тело фундамента.
СБОРНО-МОНОЛИТНЫЕ ФУНДАМЕНТЫ СТАЛЬНЫХ КОЛОНН
3.24. Сборно-монолитные фундаменты, рекомендуемые для применения в строительстве, показаны на черт. 4, 5 (см. п. 1.4).
Эти фундаменты могут быть использованы под стальные колонны прокатных цехов.
3.25. Особенностью рамных двухветвевых подколонников (см. черт. 4) является способ сопряжения стоек с оголовком.
Для зданий без подвала рамные двухветвевые подколонники рекомендуется выполнять с жестким сопряжением стоек с оголовком. В зданиях с подвалом (при увеличенном разносе стоек подколонника для опирания на них конструкций подвала без консолей, см. черт. 4, б) оголовок подколонника не полностью опирается на стойки подколонника, образуя с ними условное шарнирное соединение, и включается в работу на поперечную силу и изгиб.
Расчет рамного двухветвевого подколонника дан в примере 3.
3.26. Особенностями сборно-монолитных фундаментов, состоящих из монолитной плитной части, сборных вертикальных плит, устанавливаемых по коротким, наиболее нагруженным сторонам фундамента, и бетонного заполнения между плитами (см. черт. 5), являются:
применение сборных плит, включающих всю вертикальную арматуру подколонника и являющихся элементами несъемной опалубки и опорами кондукторов для установки анкерных болтов;
обеспечение совместной работы сборного и монолитного бетонов.
3.27. Сборные элементы подколонника могут выполняться в виде плоских или ребристых плит, устанавливаемых в стаканы плитной части фундамента.
При необходимости армирования всех граней подколонника арматурные сетки устанавливаются в монолитном бетоне.
3.28. Совместная работа сборных элементов с монолитным бетоном подколонника обеспечивается петлевыми арматурными выпусками, шероховатостью поверхности, поперечными и продольными ребрами (при наличии) .
Для связи плоских сборных элементов с плитной частью фундамента в сборных элементах в пределах стакана предусматриваются шпонки (черт. 24).


Черт. 24. Сопряжение сборных элементов с монолитной частью сборно-монолитного фундамента
3.29. Расчет сборно-монолитных подколонников на эксплуатационные нагрузки рекомендуется производить как для внецентренно сжатых бетонных или железобетонных элементов без учета сжатой арматуры.
Проверка прочности внецентренно сжатого бетонного подколонника, когда растянутая арматура для расчета не требуется, выполняется из условия
N Ј b Rbm (x + D Rb t / Rbm) , (95)
где t - толщина сборной плиты;
D Rb = Rb - Rbm ,
здесь Rb , Rbm - расчетные сопротивления бетона соответственно сборной и монолитной частям сечения.
Высота сжатой зоны определяется по формуле
x = xe + , (96)
где xe = 0,5 lcf - e і 0,05 lcf .
Если xe < 0,5 t, то х = 2хе.
Площадь сечения необходимой растянутой арматуры во внецентренно сжатом железобетонном подколоннике Аs определяется по формуле
N + Rs As = Rbm bcf x + D Rb bcf lcf , (97)
откуда
As = (Rbm bcf x + D Rb bcf lcf - N) / Rs . (98)
Высота сжатой зоны определяется по формуле
x = l0,cf - , (99)
где l0,cf = lcf - 0,5t ; ea = e + 0,5 (lcf - t) .
Если x < t, то x = l0,cf - . (100)
3.30. Сборные элементы, кроме того, необходимо рассчитывать на монтажные нагрузки, а также на случай транспортировки.
3.31. Для обеспечения совместной работы сборных плит с монолитным бетоном количество поперечной арматуры (выпусков) необходимо назначать из условия
Asw і gc b S Rbt / Rsw , (101)
где Aw - площадь сечения одного ряда арматурных выпусков (петель или стержней) в горизонтальной плоскости;
gc - коэффициент условия работы, принимается равным 0,35 для необработанной (незаглаженной) поверхности и 0,3 - для поверхности, специально обработанной щетками, с втопленным щебнем, имеющей насечки или шпонки. Для поверхности сборных плит, формуемых на металлическом поддоне, gc = 0,6, на деревянном поддоне gc = 0,45;
b - ширина сборной плиты;
S - расстояние между рядами выпусков но высоте, принимается не более 8t;
Rbt - расчетное сопротивление монолитного бетона растяжению;
Rsw - расчетное сопротивление металла выпусков растяжению принимается равным 147 МПа (1500 кгс/см2) для арматуры класса А-I и 176 МПа (1800 кгс/см2) для арматуры класса А-II.
Минимальный процент поперечного армирования (число выпусков) должен быть равен 0,15, т.е.
m = Asw Ч 100 / bS = 0,15 % . (102)
В верхней части сборных плит необходимо предусматривать не менее двух рядов стержневых или одни ряд петлевых выпусков, объединенных горизонтальными сетками (не менее двух) косвенного армирования, размещенными в монолитном бетоне.
3.32. Глубина заделки dс сборных элементов в стаканы монолитной плитной части фундамента определяется по конструктивным соображениям исходя из выполнения длины анкеровки растянутых стержней арматуры (см. п. 4.10), а также из условий сцепления бетона замоноличивания с бетоном стенок стакана и с бетоном сборных плит с учетом шпонок в плитах:
Np = 2dp (bp + lp) Ranў ; (103)
Np = 2dc (t + bcf) Ranўў + T . (104)
В формулах (103) и (104):
dp , bp , lp - соответственно глубина, ширина и длина стакана;
Ran' = 0,18 Rbt ; (105)
Ranўў = 0,2 Rbt , (106)
где Rbt - расчетное сопротивление бетона замоноличивания осевому растяжению;
Т - сдвигающая сила, воспринимаемая шпонками, принимаемая по наименьшему из значений:
T = d Rbm l n ; (107)
T = 2h Rbt l n, (108)
где d, l, h - соответственно глубина, длина и высота шпонки;
Rbm - расчетное сопротивление бетона замоноличивания осевому сжатию;
n - число шпонок (не более трех).
4. КОНСТРУКТИВНЫЕ УКАЗАНИЯ ПО ПРОЕКТИРОВАНИЮ ФУНДАМЕНТОВ
МАТЕРИАЛЫ
4.1.* Для монолитных железобетонных фундаментов следует применять тяжелый бетон классов по прочности В12,5 и В15 на сжатие, при соответствующем обосновании допускается применение бетона класса В20.
Для замоноличивания колонн в стакане применяется бетон класса не ниже В12,5. Бетон подготовки под подошвой фундамента принимается класса В3,5.
4.2. Для армирования фундаментов рекомендуется применять горячекатаную арматуру периодического профиля класса А-III по ГОСТ 5781-82. Для слабонагруженных сечений, где прочность арматуры используется не полностью (конструктивные сетки армирования подколонника, сетки косвенного армирования дна стакана и т.п.), а также в тех случаях, когда прочность арматуры класса А-III не используется полностью из-за ограничения по раскрытию трещин, допускается применять арматуру классов A-II по ГОСТ 5781-82 и Вр-I по ГОСТ 6727-80.
ГЕОМЕТРИЧЕСКИЕ РАЗМЕРЫ ФУНДАМЕНТОВ
4.3. Монолитные фундаменты рекомендуется проектировать ступенчатого типа, плитная часть которых имеет от одной до трех ступеней.
4.4. Все размеры фундамента следует принимать кратными 300 мм (3 М в соответствии с ГОСТ 23478-79) из условия их изготовления с применением инвентарной щитовой опалубки.
При соответствующем обосновании в случае массового применения или для отдельных индивидуальных фундаментов разрешается принимать размеры, кратные 100 мм в соответствии с ГОСТ 23477-79.
4.5. При центральной нагрузке подошву фундамента следует принимать квадратной.
При внецентренной нагрузке, соответствующей основному варианту нагружения, подошву рекомендуется принимать прямоугольной с соотношением сторон не менее 0,6.
4.6. Высота фундамента h назначается с учетом глубины заложения подошвы и уровня обреза фундамента. Обрез фундамента железобетонных колонн зданий следует принимать, как правило, на отметке 0,15 для обеспечения условий выполнения работ нулевого цикла.
4.7. Рекомендуемые размеры сечений подколонников, высот фундаментов и плитной части, а также подошвы приведены в табл. 4.
Таблица 4
|
Эскиз фундамента |
Р И С У Н О К |
|
Модульные размеры фундамента, м, при модуле, равном 0,3 |
|
|
|
соответственно hpl |
подошвы |
подколонника |
|
h |
hpl |
h1 |
h2 |
h3 |
квадратной
b ґ l |
прямоугольной b ґ l |
под рядовые колонны bcf ґ lcf |
под колонны в температурных швах bcf ґ lcf |
|
1,5 |
0,3 |
0,3 |
- |
- |
1,5ґ1,5 |
1,5ґ1,8 |
0,6ґ0,6 |
0,6ґ1,8 |
|
1,8 |
0,6 |
0,3 |
0,3 |
- |
1,8ґ1,8 |
1,8ґ2,1 |
0,6ґ0,9 |
0,9ґ2,1 |
|
2,1 |
0,9 |
0,3 |
0,3 |
0,3 |
2,1ґ2,1 |
1,8ґ2,4 |
0,9ґ0,9 |
1,2ґ2,1 |
|
2,4 |
1,2 |
0,3 |
0,3 |
0,6 |
2,4ґ2,4 |
2,1ґ2,7 |
0,9ґ1,2 |
1,5ґ2,1 |
|
2,7 |
1,5 |
0,3 |
0,6 |
0,6 |
2,7ґ2,7 |
2,4ґ3,0 |
0,9ґ1,5 |
1,8ґ2,1 |
|
3,0 |
1,8 |
0,6 |
0,6 |
0,6 |
3,0ґ3,0 |
2,7ґ3,3 |
1,2ґ1,2 |
2,1ґ2,1 |
|
3,6 |
- |
- |
- |
- |
3,6ґ3,6 |
3,0ґ3,6 |
1,2ґ1,5 |
2,1ґ2,4 |
|
4,2 |
- |
- |
- |
- |
4,2ґ4,2 |
3,3ґ3,9 |
1,2ґ1,8 |
2,1ґ2,7 |
|
Да- |
- |
- |
- |
- |
4,8ґ4,8 |
3,6ґ4,2 |
1,2ґ2,1 |
- |
|
лее с |
|
|
|
|
5,4ґ5,4 |
3,9ґ4,5 |
1,2ґ2,4 |
- |
|
шагом |
- |
- |
- |
- |
- |
4,2ґ4,8 |
1,2ґ2,7 |
- |
|
0,3 м |
- |
- |
- |
- |
- |
4,5ґ5,1 |
- |
- |
|
или |
- |
- |
- |
- |
- |
4,8ґ5,4 |
- |
- |
|
0,6 м |
- |
- |
- |
- |
- |
5,1ґ5,7 |
- |
- |
|
|
- |
- |
- |
- |
- |
5,4ґ6,0 |
- |
- |

4.8. Сопряжение фундамента с колонной выполняется монолитным для фундаментов под монолитные колонны (черт. 25, а) и стаканным для сборных или монолитных фундаментов под сборные колонны (черт. 25, б, в).



Черт. 25. Сопряжение фундамента с колонной
а - монолитной; б и в - сборной; 1 - колонна; 2 - подколонник; 3 - плитная часть фундамента
4.9. Стакан под двухветвевые колонны с расстоянием между наружными гранями ветвей не более 2400 мм выполняется общим под обе ветви, с расстоянием более 2400 мм - раздельно под каждую ветвь. Под колонны в температурных швах также рекомендуется выполнять раздельные стаканы.
Размеры стакана для колони следует назначать из условия обеспечения необходимой глубины заделки колонны в фундамент и обеспечения зазоров, равных 75 мм по верху и 50 мм по низу стакана с каждой стороны колонны (см. черт. 25).
4.10. Глубина стакана dp принимается на 50 мм больше глубины заделки колонны dс, которая назначается из следующих условий:
для типовых колонн - по данным рабочей документации;
для индивидуальных прямоугольных колонн - по табл. 5, но не менее, чем по условиям заделки рабочей арматуры колонн, указанным в табл. 6;
для двухветвевых колонн:
при ld і 1,2 м dc = 0,5 + 0,33 ld , (109)
но не более 1,2 м,
где ld - ширина двухветвевой колонны по наружным граням;
при ld < 1,2 м как для прямоугольных колонн, с бульшим размером сечения lc, равно:
lc = ld [1 - 0,8 (ld - 0,9)] , (110)
но во всех случаях не менее величин, указанных в табл. 6 и не более 1,2 м.
Таблица 5
|
Отношение толщины стенки стакана к высоте верхнего уступа фундамента t/hcf |
Глубина заделки колонн прямоугольного сечения dc при эксцентриситете продольной силы |
|
или глубине стакана t/dp (см. черт. 7) |
e0 Ј 2lc |
e0 > 2lc |
|
> 0,5 |
lc |
lc |
|
Ј 0,5 |
lc |
lc + 0,33 (lc - 2t)(e0/lc - 2) , причем lc Ј dc Ј 1,4 lc |
Таблица 6
|
Класс рабочей |
Колонна |
Глубина заделки рабочей арматуры dс при проектном классе бетона |
|
арматуры |
|
В15 |
В20 |
|
А-III |
Прямоугольного сечения |
30d (18d) |
25d (15d) |
|
|
Двухветвевая |
35d (18d) |
30d (15d) |
|
A-II |
Прямоугольного сечения |
25d (15d) |
20d (10d) |
|
|
Двухветвевая |
30d (15d) |
25d (10d) |
П р и м е ч а н и я: 1. d - диаметр рабочей арматуры.
2. Значения в скобках относятся к глубине заделки сжатой рабочей арматуры.
3. Длина заделки может быть уменьшена в случаях:
а) неполного использования расчетного сечения арматуры длину заделки допускается принимать lanN/RsAs , но не менее чем для стержней в сжатой зоне, где N - усилие, которое должно быть воспринято анкеруемыми растянутыми стержнями, а RsAs - усилие, которое может быть воспринято;
б) приварки к концам рабочих стержней анкерных стержней или шайб (черт. 26).

Черт. 26. Детали анкеровки рабочей арматуры
а - анкеровка дополнительным стержнем; б - анкеровка шайбой
При этом шайбы должны рассчитываться на усилие, равное
N = 15dan Rs As / la / (111) |

Предыдущая часть |
К оглавлению
| Следующая часть
|